COMING HOME LIGHT SYSTEM
Outline
When the FLASH-TO-PASS operation is performed with the ignition switched off or ACC, the coming home light system turns on the headlights LO for a specified time after leaving the vehicle.
When leaving the vehicle in a parking lot where the area surrounding the vehicle is dark, the system is used for assuring visibility at the front of the vehicle by turning the headlights LO on.
Function
The coming home light system controls the headlights LO using the following two functions:
Coming home light stand-by function: Turns on the headlights LO until the user gets out of the vehicle after operating the FLASH-TO-PASS.
Coming home light off timer function: Operates when the user gets out of the vehicle and closes all of the doors while the coming-home-light stand-by function is operating.
Coming home light stand-by function
When the BCM receives a FLASH-TO-PASS signal with the ignition switched off or ACC, it turns the headlights LO on. After 3 min have elapsed since going on coming home light stand-by or a FLASH-TO-PASS signal is received during stand-by, the BCM turns the headlights LO off.
Coming home light off timer function
The BCM operates the coming home light off timer at the point in time the following conditions occur:
Off signals for all door latch switches (doors closed) are detected after detecting any on signal for the door latch switches (door open) while on coming home light stand-by.
When any on signal for the door latch switches (door open) is detected, it goes on coming home light stand-by, and then off signals for all door latch switches (doors closed) are detected.
After the coming home light off timer has elapsed, the BCM turns the headlights LO off.
Personalization features
The coming home light off timer setting for the coming home light system can be changed (initial setting is 30 s). For details on the personalization features, refer to the [LIGHTING SYSTEM PERSONALIZATION]. (See LIGHTING SYSTEM PERSONALIZATION.)
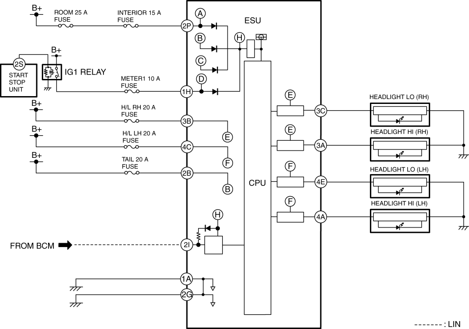
Structural View
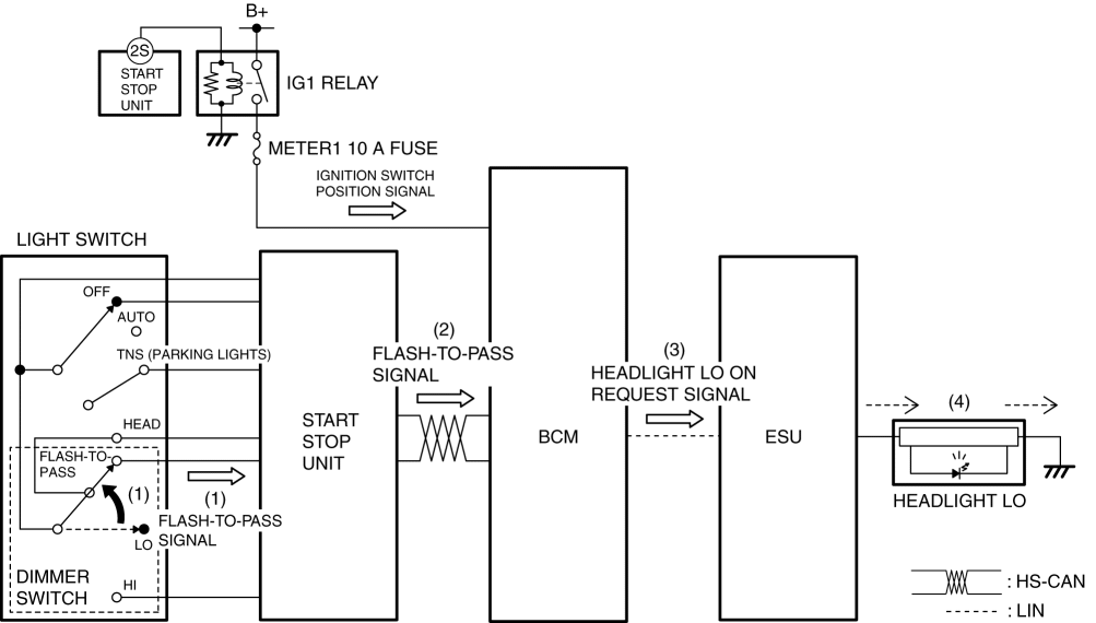
System Wiring Diagram
Timing Chart
NOTE:
The BCM disables the coming home light system control during the auto light off timer illumination time count.
Operation
Coming home light stand-by operation
When a FLASH-TO-PASS signal (light switch signal) is received with all of the following conditions met, it goes on coming home light stand-by.
Coming home light stand-by operation conditions
IG1 relay is off (ignition is switched off or ACC)
Coming home light off timer (personalization setting) not set at 0 s (OFF)
Not during auto light off timer illumination time count
1. When the dimmer switch is moved to the FLASH-TO-PASS position, the start stop unit detects (1) a FLASH-TO-PASS signal.
2. The start stop unit sends (2) the FLASH-TO-PASS signal to the BCM via CAN communication.
3. When the BCM receives the FLASH-TO-PASS signal with all operation conditions met, it sends (3) a headlight LO on request signal to the electrical supply unit (ESU).
4. When the electrical supply unit (ESU) receives the headlight LO on request signal, it turns the headlights LO on (4) and goes on coming home light stand-by.
Coming home light off timer operation
When the following condition is met while on coming home light stand-by, the coming home light off timer operates.
Coming home light off timer operation condition
All off signals for the door latch switches (doors closed) are detected after detecting any on signal for the door latch switches (door open).
1. When the BCM detects (1) all off signals for the door latch switches (doors closed) after detecting any on signal for the door latch switches (door open) during coming home light stand-by, it operates (2) the coming home light off timer.
2. After the coming home light off timer has elapsed, the BCM stops the headlight LO on request signal.
3. When the electrical supply unit (ESU) no longer receives the headlight LO on request signal, it turns the headlights LO off (3).< Previous Next >





