SEAT BELT WARNING ALARM
Purpose
The seat belt warning alarm warns the driver that a seat belt is not fastened.
Functions
U.S.A. and Canada
The instrument cluster controls the seat belt warning alarm based on the following signals.
| Signal name |
Sending module/part name |
Communication method |
| Vehicle speed signal |
PCM |
HS-CAN |
| Driver's side/passenger's side buckle switch signal |
SAS control module |
|
| Passenger seat status signal |
Occupant classification sensor |
| Signal name |
Sending module/part name |
Communication method |
| Vehicle speed signal |
PCM |
HS-CAN |
| Driver's side/passenger's side buckle switch signal |
SAS control module |
|
| Occupancy sensor signal |
Driver's side/passenger's side seat belt warning alarm activation function
U.S.A. and Canada
The driver's side seat belt warning alarm has a warning for when the vehicle is stopped.
The driver's side/passenger's side seat belt warning alarm has an initial warning and subsequent warning.
Initial warning
When all of the following conditions are met, the alarm sounds.
Vehicle speed is approx. 20 km/h {12 mph} or more
Driver's side/passenger's side buckle switch on signal (seat belt unfastened) is detected
Passenger seat status signal (adult) or (child) (occupant in passenger seat) is detected (passenger's side seat belt warning alarm only)
The initial warning sounds in the pattern shown in the figure.
Subsequent warning
When all of the following conditions are met, the alarm sounds.
Vehicle speed is approx. 20 km/h {12 mph} or more
Passenger seat status signal (adult) or (child) (occupant in passenger seat) is detected (passenger seat belt warning alarm only)
After initial warning operates, buckle switch off signal (seat belt fastened) to on signal (seat belt unfastened) is detected
The subsequent warning sounds in the pattern shown in the figure.
Except U.S.A. and Canada
The driver's side/passenger's side seat belt warning alarm has an initial warning and subsequent warning.
Initial warning
When all of the following conditions are met, the alarm sounds.
Vehicle speed is approx. 20 km/h {12 mph} or more
Driver's side/passenger's side buckle switch on signal (seat belt unfastened) is detected
Occupancy sensor on signal (occupant in passenger seat) is detected (passenger's seat belt warning alarm only)
The initial warning sounds in the pattern shown in the figure.
Subsequent warning
When all of the following conditions are met, the alarm sounds.
Vehicle speed is approx. 20 km/h {12 mph} or more
Occupancy sensor on signal (occupant in passenger seat) is detected (passenger seat belt warning alarm only)
After initial warning operates, buckle switch off signal (seat belt fastened) to on signal (seat belt unfastened) is detected
The subsequent warning sounds in the pattern shown in the figure.
Construction
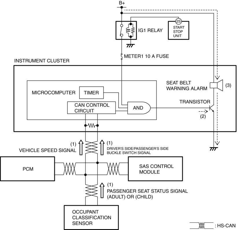
The seat belt warning alarm sounds using the buzzer built into the instrument cluster.
Operation
U.S.A. and Canada
Warning while vehicle is stopped
When the instrument cluster receives (1) a driver's side buckle switch signal from the SAS control module via CAN communication while the ignition is switched ON (engine off or on), it turns on (2) the transistor.
When the transistor turns on, a ground circuit with the seat belt warning alarm is established and the seat belt warning alarm is activated (3).
Initial warning/Subsequent warning
When the instrument cluster receives (1) a vehicle speed signal from the PCM, a driver's side/passenger's side buckle switch signal from the SAS control module, and passenger seat status signal (adult) or (child) from the occupant classification sensor via CAN communication while the ignition is switched ON (engine off or on), it turns on (2) the transistor.
When the transistor turns on, a ground circuit with the seat belt warning alarm is established and the seat belt warning alarm is activated (3).
Except U.S.A. and Canada
When the instrument cluster receives (1) a vehicle speed signal from the PCM and a driver's side/passenger's side buckle switch signal and occupancy sensor signal from the SAS control module via CAN communication while the ignition is switched ON (engine off or on), it turns on (2) the transistor.
When the transistor turns on, a ground circuit with the seat belt warning alarm is established and the seat belt warning alarm is activated (3).
Fail-safe
< Previous Next >
Not applicable







